700M 公制铰接螺栓

公制铰接螺栓

  • 应⽤范围:广泛用于工程、塑料、冶金、农业、军事机械,化工、油田、船舶等行业的液压及流体输送系统中。
  • 产品特点:产品具有结构精良、设计先进等特点

全国服务热线

400-6191-666

数据展示

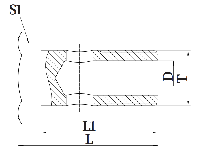
代号螺纹 T尺寸DIMENSIONS
PART NO.THREAD TLL1S1
700M-10M10X119.5614
700M-12M12X1.524.5617
700M-14M14X1.526619
700M-16M16X1.528.5622
700M-18M18X1.532.5624
700M-22M22X1.539827
700M-26M26X1.5461032
700M-30M30X1.5511036

注:配套70011 使用 。

获取报价

欢迎填写以下表格,我们将会在24小时之内联系您。
*
*

7*24H全天在线为您服务!

我们将会在接到您的咨询电话后半小时内联系您。
  • 热线电话

    400-6191-666

  • 传真

    0395-2610007

咨询信息

*
*

文件下载

只需填写下面的表格,即可下载文件!

*
*