720B 英制铰接螺栓

英制铰接螺栓

  • 应⽤范围:广泛用于工程、塑料、冶金、农业、军事机械,化工、油田、船舶等行业的液压及流体输送系统中。
  • 产品特点:产品具有结构精良、设计先进等特点

全国服务热线

400-6191-666

数据展示

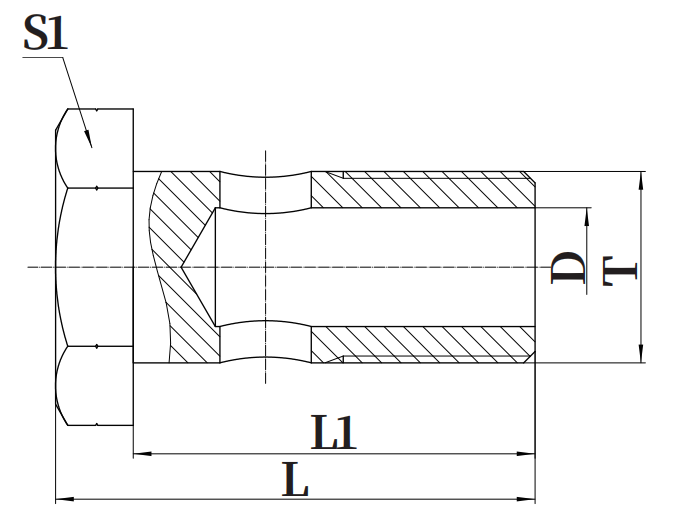
代号螺纹 T尺寸DIMENSIONS
PART NO.THREAD TLL1S1
720B-02G1/8 " X2829.54.814
720B-04G1/4 " X1928.5619
720B-06G3/8 " X1938.5722
720B-08G1/2 " X14448.527
720B-10G5/8 " X1448.51030
720B-12G3/4 " X14461032
720B-16G1 " X1168.51341

注:配套72011 使用 。

获取报价

欢迎填写以下表格,我们将会在24小时之内联系您。
*
*

7*24H全天在线为您服务!

我们将会在接到您的咨询电话后半小时内联系您。
  • 热线电话

    400-6191-666

  • 传真

    0395-2610007

咨询信息

*
*

文件下载

只需填写下面的表格,即可下载文件!

*
*